一、产品概述: KYN28-24 型户内铠装移开式交流金属封闭开关设备( 以下简称中置柜),系3.6 ~ 40.5kV三相交流50Hz 单母线及单母线分段系统的成套配电装置,主要用于发电厂,中小型发电机送电、工矿企业事业配电以及电业系统的二次变电所的受电、送电及大型高压电动机起动等。实现控制保护、监测之用,本设备满足 GB/T3906-2020, IEC 62271-200:2021/AMD1:2024 等标准要求,具有防止带负荷推拉断路器手车,防止接地开关处于闭合位置时关合断路器,防止误入带电隔室、防止地带电时误合接地开关的联锁功能,既可配用VHL(VS1)-24真空断路器,又可配用ABB公司的VD4真空断路器,实为一种性能优越的装置。 三、使用条件
3.1正常使用条件
a)周围空气温度:-5ºC~+40ºC;
b)海拔高度:不超过1000m;
c)相对湿度:日平均相对湿度不大于95%月平均相对湿度不大于90%;
d)地震烈度:不超过8度;
e)无火灾、爆炸危险、严重污秽、化学腐蚀及剧烈振动的场所。
3.2特殊使用条件:
在超 IEC 62271-200 规定的正常使用条件下时,由用户和制造厂协商。
四、技术参数
配用断路器:VHL-24KV型
1.额定电压:24kV
2.1min工频耐受电压:50KV
3.额定冲击耐受电压(峰值):125KV
4.额定频率:50/60Hz
5.额定电流:630A、1250A、1600A、2000A、2500A、3150A
6.分支母线额定电流:630A、1250A、1600A、2000A、2500A、3150A
7.额定短时耐受电流(有效值):16kA、20kA、25kA、31.5kA、40kA
8.额定峰值耐受电流:40kA、50kA、63kA、80kA
9.额定短路持续时间:3s
10.防护等级:外壳为IP4X 隔室门、断路器室门打开时为IP2X
11.重量:800-1000kg
五、结构和工作原理
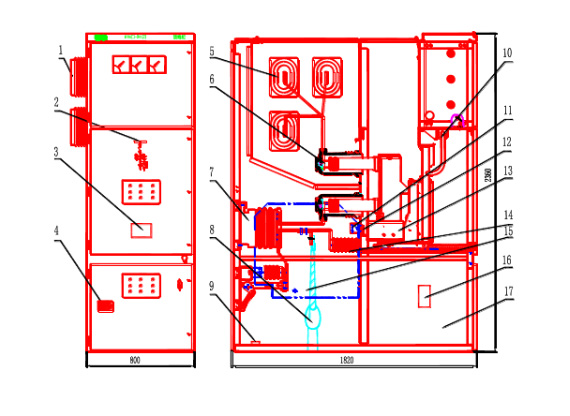
开关设备由柜体和中置可抽了部件(即手车)两大部分组成,见图1。柜体分四个单独隔室,外壳 防护等级为IP4X,各小室外间和断路器室门打开时防护等级为IP2X。具有架空进了线、电缆进出线及其它功能方案,经排列、组合后能成为各种方案形式的配电装置。本开关设备可以从正面进行安装调试和维护,因此它可以背靠背组成双重排列和靠墙安装,提高了开关设备的安全性、灵活性,减少了占地面积。
5.1外壳及其它
开关设备的外壳是选用进口敷铝锌薄钢板经CNC机床加工,采取多重折边工艺。这样使整个柜体不仅具有精度高、很强的抗腐蚀与抗氧化作用,而且由于采用重折边工艺,使柜体比其它同类设备柜体整
体重量轻、机械强度高、外形美观。柜体采用组装式结构,用铆螺母和高强度的螺栓联接而成。这样使加工生产周期短、零部件通用性强、占地面积小,便于组织生产。
1、穿墙套管 2、模拟母线 3、铭牌 4、照明灯 5、主母线 6触头盒 7、电流互感器 8、一次电缆 9、接地母排 10、二次连锁装配 111、绝缘弯板 12、活门机构 13、断路器手车 14、绝缘子 15、绝缘板 16、加热器 17、柜体框架
图1开关设备结构图
5.2手车
手车骨架也采用薄钢板经CNC机床加工后组装而成。后车与柜休绝缘配合,机械联锁安全、可靠、灵活。根据用途同手车分断路器手车、电压互感器手车、计量手车、隔离手车,同规格手车可以百分之
百互换。手车在柜体内有断开位置、试验位置和工作位置,每一位置都分别有定位装置,以保证联锁可靠,必须按联锁防误操作程序进行操作。各种手车均采用丝杆摇动推进、退出。操作轻便、灵活,适合
于各种值班人员操作。手车当需要移开柜体时,用一台专用转运车,就可以方便取出,进行各种检查、维护;而且采用中置式,整个小车体积小,检查、维护都极为方便。
断路器手车上装有真空断路器及其它辅助设备。当手车用运转车运入柜体断路器室时,便能可靠锁定在断开位置(试验位置),同时柜体位置显示灯便显示其所在位置。而且只有在完全锁定后,才能摇动推进机构,将手车推向工作位置。手车到工作位置后,推进手柄即摇不动,其对应位置显示灯便显示其所在位置。手车的机械联锁能可靠保证手车只有在工作位置或试验位置(退出位置),断路器才能进行合闸,且只有断路器处分闸状态,手车才能移动。
5.3隔室
开关设备主要电气元件都在其独立的隔室中,即:断路器手车室、母线室、电缆室、继电器仪表室。各隔室间防护等级都达到IP2X
。除继电器室外,其它三隔室都分别有其泄压通道。由于采用了中置式形式,电缆室位置大大增加,因此设备可接多路电缆。
5.3.1断路器室B
隔离两侧安装了轨道,供手车13在柜内由断开位置、试验位置移动到工作位置。静触头盒6和隔板12(活门)安装在后车室的后壁上。当后车从断开位置移动到工作位置过程中,上、下静触头盒上的活
门与手车联动,同时自动打开。当反方向移动时活门则自动闭合。直至手车退至一定位置而完全覆盖住静触头盒,形成有效隔离。同时由于上、下活门不联动,在检修时,可锁死带电侧的活门,从而保证检
修维护人员不触及带电体。在断路器室门关闭时,手车同样能操作。
通过上门观察窗,可以观察隔室内手车所处位置、合、分闸显示、储能状况。
5.3.2母线隔离
主母线5是单台拼接相互贯穿联接,见图2。通过支母线2和静触头盒固定。主母线和联络母线为矩形截面的铜排;用于大电流负荷时采用双根母排拼联。支母线通过螺栓联接于静触头盒6和主母线,不
需要其它支撑。对于特殊需要,母线采用热缩套、联接螺栓绝缘套和端帽覆盖。相邻柜母线用套管1固定。这样联接母线间所保留的空气缓冲,在如果出现内部故障电弧时,能防止其贯穿熔化。套管1能有效把事故隔离而不向其它柜蔓延。
5.3.3电缆隔室C
开关设备采用中置式,因而电缆室空间较大。电流互感器7装在隔室后壁上。将手车13和可抽出式水平隔板移开后,施工人员就能从正面进入柜内安装和维护。电缆室内的电缆连接导体,每相可并1~3
根单芯电缆。必要时每相可并接6根单芯电缆。联接电缆的柜底配制开缝的可卸式非金属封板或不导磁金属封板,确保了施工方便。
5.3.4继电器仪表室
继电器仪表室内可安装继电保护元件、仪表、带电指示器,以及特殊要求的二次设备。控制线路敷设在足够空间的线槽内,并有金属盖板,可使二次线与高压室隔离。其左侧线槽是为控制小线的引进和引出预留的,开关柜自身内部的小线敷设在右侧。在继电器仪表室的顶板上还留有便于施工的小母线穿越孔。接线时,仪表室顶盖板可供翻转,便于小母线的安装。
5.4防止误操作联锁装置
开关设备内装有安全可靠的联锁装置,完全满足“五防”的要求。
5.4.1仪表室门上装有提示性的按钮或者KK型转换开关,以防止误合、误分断路器。
5.4.2断路器手车在试验或工作位置时,断路器才能进行合分操作,
而且在断路器合闸后,手车无法移动,防止了带负荷误推拉断路器。
5.4.3仅当接地开关处在分闸位置时,断路器手车才能从试验/断开位置移至工作位置。仅当断路器手车处于试验/断开位置时,接地开关才能进行合闸操作(接地开关可带电压显示装置)。这样实现了防止带电误合接地开关及防止了接地开关处在闭合位置时关合断路器。
5.4.4接地开关处于分闸位置时,下门及后封板都无法打开,防止了误入带电间隔。
5.4.5断路器手车确实在试验或工作位置,而没有控制电压时,仅手动分闸,不能合闸。
5.4.6断路器手车在工作位置时,二次插头被锁定不能拔除。
5.4.7各柜体可装电气联锁
本开关设备还可以在接地开关操作机构上加装电磁锁定装置以提高可靠性,其订货按用户的需求选择。
5.5泄压装置
在断路器手车室,母线室和电缆室的上方均设有泄压装置,当断路器或母线发生内部故障电弧时,伴随电弧的出现,开关柜内部气压升高,装设在门上的特殊密封圈把柜前面封闭起来,顶部装设的泄压金属板将被自动打开,释放压力和排泄气体,以确保操作人员和开关柜的安全。
5.6二次插头与手车的位置联锁
开关设备上的二次线与断路器手车的二次线的联络是通过手动二次插头实现的。二次插头的动触头通过一个尼龙波纹伸缩管与断路器手车相联,二次静触头座装设在开关柜手车室的右上方。断路器手车只有在试验/断开位置时,才能插上和解除二次插头,断路器手车处于工作位置时由于机械联锁作用,二次插头被锁定,不能被解除。由于断路器手车的合闸机构被电磁铁锁定,断路器手车在二次插头未接通之前仅能进行分闸,所以无法使其合闸。
5.7带电显示装置
如果用户有所需求时,开关柜内可设有检测一次回路运行状况的带电显示装置。该装置由高压传感器和可携带式显示器两单元组成,通过导线连接为一体。该装置不但可以指示高压回路是否带电,而且
还可以与电磁锁配合,实现强制闭锁,达到防止带电关合接地开关、防止误入带电间隔,从而提高配套产品的防误性能。
5.8防止凝露
为了防止在高湿度或温度变化较大的气候环境中产生凝露现象而带来的危险,在断路器和电缆室内分别装设加热器,防止凝露发生。
5.9接地装置
在电缆室内单独设有10x30mmp平方的接地铜排,此排能贯穿相邻各柜,并与柜体良好接触。此接地排供直接接地之元器件使用。同时由于整个柜体用敷铝锌板相拼联,这样使整个柜体都得在良好接地状态之中,确保运行操作人员触及柜体的安全。
6安装和调试
6.1基础形式
6.1.1开关设备的安装基础的施工应符合《电力建设及验收技术规范》中的有关条款规定。
6.1.2开关设备的安装基础一般要分两次浇灌混凝土。第一次为开关柜安装构件即角钢或方钢,槽构件安装基础。第二次浇灌混凝土是地面的补充层,一般厚度为60mm,在浇灌混凝土补充层时混凝土高度应
低于构件平面1~3mm。
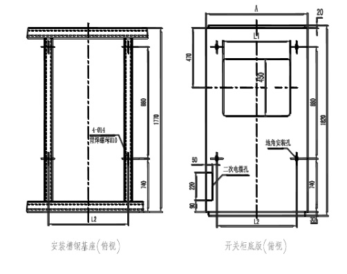
6.1.3开关设备地基安装图详见4。
6.2开关设备的安装
6.2.1开关设备的安装基础尺寸与安装尺寸详见图4。
6.2.2柜体单列时,柜前走廊以2.5m为宜,双列布置时,柜间操作走廊以3m为宜。
6.2.3设备按工程需要与图样标明,将开关设备运至它们特定的位置,如果一排较长的开关设备排列(为10台以上),拼柜工作应从中间部位开始。
6.2.4开关设备在运输过程中,应使用特定的运输工具如吊车、叉车、严禁使用滚筒撬棍,严禁将断路器手车推入柜体一起搬运,断路器手车(以及其它手车)只有在柜体安装好以后方向推入相应小室。
6.2.5松开母线室顶盖螺栓、卸去顶盖。
6.2.6松开母线室顶盖螺栓,卸下装卸式隔板。
6.2.7松开断路器手车室下面的可抽出式水平隔板的固定螺栓,并将水平隔板卸下。
6.2.8松开和移去电缆盖板。
6.2.9从开关设备左侧控制小线槽移去盖板、右前方控制线槽盖板亦同时卸下。
6.2.10卸下吊装板及紧固件。
6.2.11在此基础上,一个接一个地安装开关柜,包括水平和垂直两方面,开关柜安装不平度不得超过2mm。
6.2.12当开关设备已完全组合(拼接)好时,可用M12的地脚螺栓将其与基础框架相联或用电焊与基础框架焊牢。
6.3母线的安装必须遵照下列的步骤:
6.3.1用清洁干燥的软布擦揩母线,检查绝缘套管有否损伤,在连接部位涂上导电膏或者是中性凡士林。
6.3.2一个柜接一个柜地安装母线,将母线段和对应的分支小母线接在一起,拴接时应插入合适的垫块,用螺栓拧紧。主母线与分支母线的联接形式见图2。
6.4开关设备的接地装置
6.4.1用预设的连接板将各柜的接地母线9连接在一起。
6.4.2在开关柜内部联接所有需要接地的引线。
6.4.3将基础框架与接地排相连,如果柜子排列超过10台以上,必须有两个以上的接地排。
6.4.4将接地开关的接地线与开关柜接地主母线联接。
6.5开关设备安装后的检查
当开关设备安装就位后,清除柜内设备上的灰尘杂物,然后检查全部紧固螺栓有无松动,接线有无脱落。将断路器在柜中推进,推出,并进行分闸动作,观察有无异常。将仪表的指针调整到零位,根据线
路图检查二次接线是否正确。对继电器进行调整,检查联锁是否有效。
7使用与维护
7.1开关柜在运行中,运行人员除应遵守有关规程外,还应注意以下问题。
7.1.1操作程序
虽然开关设备设计有保证开关设备各部分操作程序正确的联锁,
但是操作人中对开关设备各部分的投入和退出,仍应严格按操作规程和本说明书的要求进行,不应随意操作,更不应在操作受阻时,不加分析强行操作,否则,容易造成设备损坏,甚至引起事故。
7.1.1.1无接地开关断路器柜的操作
a)将断路器可移开部件装入柜体:断路器小车准备由柜外推入柜内前,应认真检查断路器是否完好,有无漏装部件,有无工具等杂物放在机构箱或开关内,确认无问题后将小车装在转运车上并锁定好。将转运车推到柜前,把小车升到合适位置,将转运车前部定位锁板插入柜体中隔板插口并将转运车与柜体锁定之后,打开断路器小车的锁定钩,将小车平稳推入柜体同时锁定。当确认已将小车与柜体锁定好之后,解除转运车与柜体的锁定。将转运车推开。
b)小车在柜内操作:小车在从转运车装入柜体后,即处于柜内断开位置(即退出位置),若想将小车投入运行,首先使小车处于试验位置,应将辅助回路插头插好,若通电则仪表室面板试验位置指示灯亮,此时可在主回路未接通的情况下对小车进行电气操作试验,若想继续进行操作,首先必须把所有柜门关好,用钥匙插入门锁孔,把门锁好,并确认断路器处分闸状态(见d)。此时可将手车操作摇柄插入中间面板上操作孔内,顺时针方向转动摇柄,直到摇柄明显受阻并听到清脆的辅助开关切换声,同时仪表室面板工作位置指示灯亮,然后取下摇柄。此时图,主回路接通,断路器处于工作位置,可通过控制回路对其进行合、分操作。若准备将小车从工作位置退出,首先,应确认断路器已处于分闸状态(见d),插入手车操作摇柄,
逆时针方向转动直到摇柄受阻并听到清脆的的辅助开关切换声,小车便回到试验位置退出位置。此时,主回路已经完全断开,金属活门关闭。
c)从柜中取出小车:若准备从柜内取出小车,首先应确定小车已处于试验位置,然后解除辅助回路插头,并将动插头扣锁手车架上,此时将转运车推到柜前(与把小车装入柜内时相同),然后将手车解锁并向外拉出。当手车完全进入转运车并确认已被锁定,解除转运车柜体的锁定,把转运车向后拉出适当距离后,轻轻停稳。如小车要用转运车运输较长距离时,把推动转动小车过程要格外小心,以避免运输过程中发生意外事故。
d)断路器在柜内的分、合闸状态确认:断路器的分合闸状态可由断路器的手车面板上分合闸指示牌及仪表室面板上分合闸指示灯两方面判定。若透过柜体中间面扳观察下班窗看到手车面板上绿色的分闸指示牌则判定断路器处于分闸状态,此时如果辅助顺路插头接通电,则仪表面板上合闸指示灯亮。若透过柜体中间面板观察窗看到手车面板上红色的合闸指示牌,则判定断路器处于合闸状态,此时如果辅助顺路插头接通电,则仪表面板上合闸指示灯亮。
7.1.1.2有接地开关的断路器柜的操作
将断路器手车推入柜内和从柜内取出手车的程序,与接地开关的断路器柜的操作程序完全相同。仅当手车在柜内操作过程中和操作接地开关过程中要注意的地方叙述如下:
a)手车在柜内的操作当准备将手车推入工作位置时,除了要遵守7.1.1.1b)中提请注意的诸项要求外,还应确认接地开关处于分闸状态,否则下一步操作无法完成。
b)合、分接地开关操作若要合接地开关,首先应确定手车已退到试验/断开位置,并取下推进摇柄然后接下接地开关操作孔处联锁弯板,插入接地开关操作手柄,顺时针方向转动90º,接地开关处于合闸状态。若再逆时针方向转动90º,便将接地开关分闸。
7.1.1.3一般隔离柜的操作
隔离手车不具备接通和断开负荷电流的能力,因此在带负荷的情况下不允许推拉手车。在进行隔离手车柜内其辅助触点转换解除与配合的隔离手车上的电气联锁,只有这时才能操作隔离车。具体操作程
序同操作断路器手车相同。
7.1.2使用联锁的注意事项
7.1.2.1本产品的联锁功能是以机械联锁为主,辅之以电气联锁实现其功能的,功能上能实现开关设备“五防”闭锁的要求。但是操作人员不应因此而忽视操作规程的要求,只有规程制度与技术手段相结合才能有效发挥联锁装置的保障作用,防止误操作事故的发生。
7.1.2.2本产品的联锁功能的投入与解除,大部分是在正常操作过程中实现的,不需要增加额外的操作步骤。如发现操作受阻(如操作阻力增大)应首先检查是否有误操作的可能,而不应强行操作以至损坏设备,甚至导致误操作事故的发生。
7.1.2.3有些联锁因特殊需要允许紧急解锁(如柜体下面板和接地开关的联锁)。紧急解锁的使用必须慎重,不宜经常使用,使用进也要采取必要的防护措施,一经处理完毕,应立即恢复联锁原状。
7.2开关柜的检修除按有关规程要求进行外,建议用户特别注意以下几点:
7.2.1按真空断路器使用说明书的要求,检查断路器的情况,并进行必要的调整。
7.2.2检查手车推进机构及其联锁的情况,使其满足本使用说明书的有关要求。
7.2.3检查主回路触头的情况,擦除动静触头上陈旧油脂,察看触头有无损伤,弹簧力有无明显变化,有无因温度过高引起镀层异常氧化现象,如有以上情况,应及时处理。
7.2.4检验辅助回路触头有无异常情况,并进行必要的修整。
7.2.5检查接地回路各部分的情况,如接地触头,主接地线及过门接地线等,保证其导电连续性。
7.2.6检查各部分紧固件,如有松动,应及时紧固。
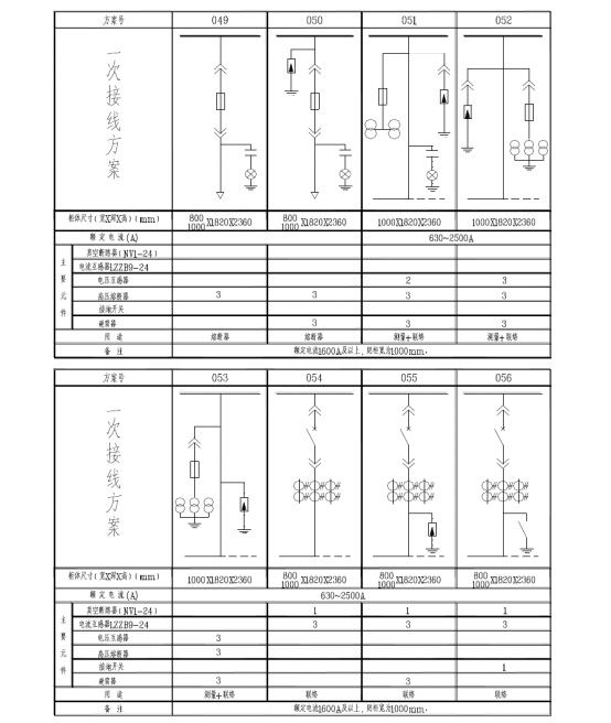
8主电路结线方案
主电路接线方案:同KYN28A-24(Z)
9外形及安装尺寸产品外形尺寸见图3。安装尺寸见图4。
图3KYN28-24KV开关柜外形尺寸
A宽度:(800mm/1000mm)
B高度:(2360mm)
C深度:(1820mm)
图4KYN28A-24(Z)型安装尺寸
柜宽800*1820*2360 L1=530mm L2=630mm A=800mm
柜宽1000*1820*2360 L1=730mm L2=830mm A=1000mm
10运输与存放
开关设备在运输与存放过程中应注意以下几点:
10.1不许翻转,倒置和遭受剧烈震动,防止靠近火源。
10.2应防止淋雨,以免产品受潮。
10.3不得随意拆卸电器产品及其零部件。
11随机文件及备品配件
11.1产品合格证;
11.2装箱单;
11.3出厂检验报告;
11.4使用说明书;
11.5设备及备品配件清单;
11.6二次接线图;
11.7中置手车操作摇柄,接地开关操作手柄、储能手柄及中置手车转运车(合同台量10台以下,每5台配一套;超过10台,每增加10台加
1套)。
六、订货须知
订货时应提供下列资料:
12.1主结线方案编号及单线系统图,排列图及平面布置图;
12.2二次接线图,端子排列图,若无端子排列图进按制造厂家端子排列图;
12.3开关设备的电器元件的型号、规格、数量;
12.4电气设备汇总表;
12.5需要母线桥(两列柜间母线桥和墙柜间母线桥)时需提供跨距和高度尺寸;
12.6开关设备使用在特别环境条件时在订货时提出;
12.7需要其它或超出规定附件供应时提出种类和数量。
七、一次系统图